redbox

Engine Analysis

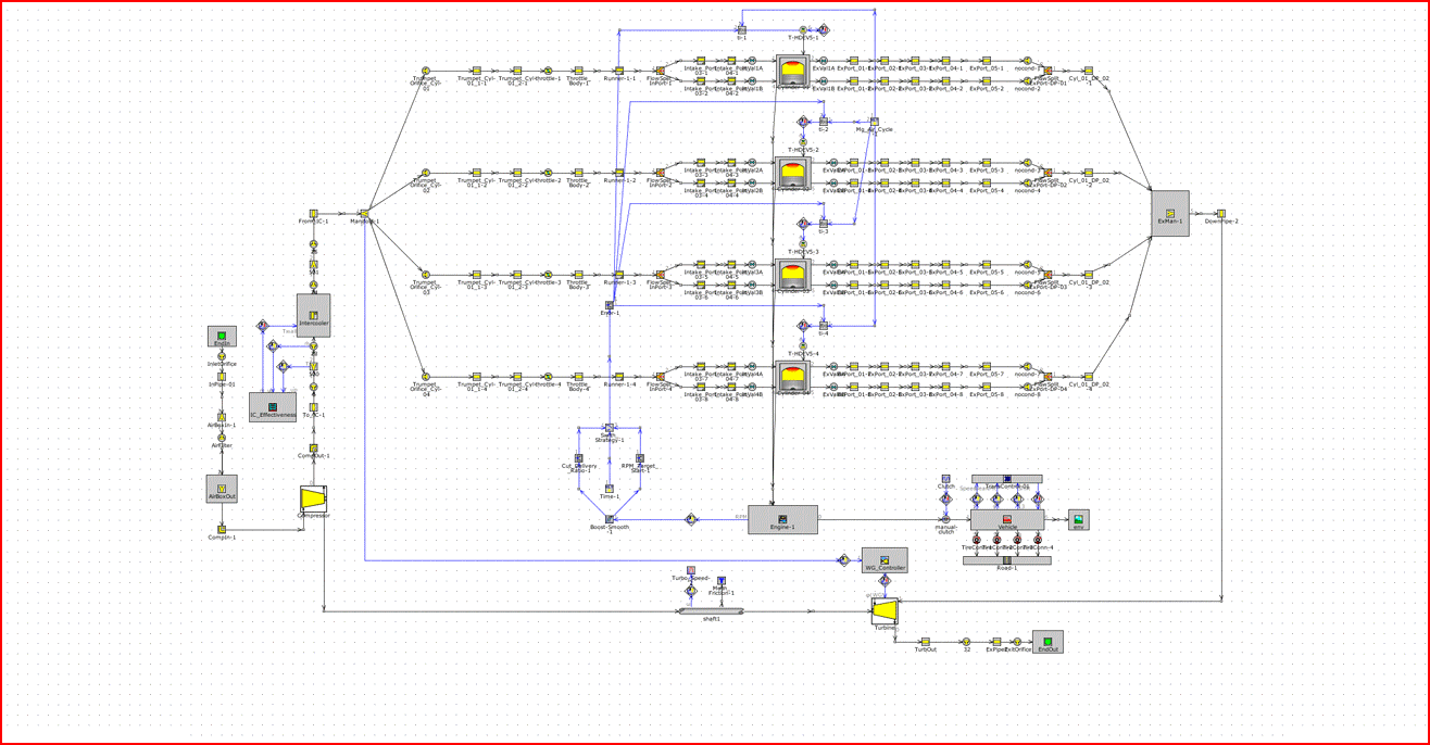
Engine Analysis software enables us to achieve optimum performance and reduce design times dramatically. It is at a point where we can accurately predict and optimise engine performance and component durability before the engine has been manufactured.

Neil Brown Engineering is continually investing in the latest CFD, FEA and 1D simulation software and testing equipment to support the design process. In combination with the many years of experience of our staff we are able to achieve optimum performance and reduce design times dramatically. This service is not exclusive to our own projects, we can perform FEA, CFD and 1D engine simulation on a consultancy basis.

CAPABILITIES
NBE